Jan. 23, 2026
等离子体是不同于固体、液体和气体的物质第四态,即部分电离化的气体,其呈现出高度激发的不稳定态,等离子体由离子、电子和未电离的中性粒子组成,在整体上呈电中性。
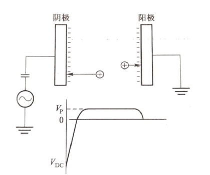
如图1所示为平行板电极等离子体辉光放电系统的示意图。射频电源通过电容耦合输入阴极端,阳极端接地。阴极和阳极之间产生射频电场,在射频作用下,空间中初始的自由电子被加速并与气体原子碰撞,使其电离,从而产生了“雪崩效应”,空间中的离子越来越多,随着大量气体分子的电离,气体从绝缘态变为导电态,有电流通过,并在阴极与阳极间形成电场。然而自由电子会与气体离子碰撞复合,最终达到电离-复合平衡态,从而在空间内形成等离子体。当气体离子恢复到原子状态时,会以光子形式释放能量并产生辉光。因此,这个过程也被称为辉光放电(glowdischarge)过程。

图1 平板电极辉光电极放电系统示意图
在等离子体空间,离子与电子数目相同,因此是等电位区。但在阴极和阳极周围,由于电子质量轻且运动速度快,电子先抵达电极表面并形成负电荷积累。在阴极和阳极表面均形成了一个负电场。由于阴极未接地,阴极表面电子积累形成的负电场电荷较高,因此阴极表面的负电场能够对离子加速,从而对电极表面产生轰击。如果将待刻蚀样品放置于阴极表面,则样品将受到强烈的离子轰击作用,从而对样品产生刻蚀作用;而当样品放置于阳极表面时,样品在氧等离子体的作用下发生反应但不存在任何离子轰击效应,主要为化学作用,因此,阳极表面附近的反应较为温和,对样品的损伤较小。
尽管等离子体作用过程十分复杂,但阳极表面附近的等离子体作用可以分为同时发生的三个反应过程,如图2所示。

图2 阳极表面附近的等离子体反应示意图
(1) 离子反应:等离子体中的活性离子直接与样品表面原子进行反应,并生成挥发性产物被真空系统排出。
(2) 产生自由基:样品表面吸附的化学活性分子被人射离子分解成为自由基。
(3) 自由基反应:(2)反应产生的自由基可在样品表面迁移,并与样品表面原子反应生成挥发性产物被真空系统排出。
Jan. 24, 2026
Jan. 23, 2026
Jan. 23, 2026
Jan. 21, 2026
Copyright@ 2024深圳纳恩科技有限公司 All Rights Reserved|
Sitemap
| Powered by
| 粤ICP备2022035280号www.naenplasma.com | 备案号:粤ICP备2022035280号www.naenplasma.com